

U-city, ITS, UTIS, ATMS, FTMS(지방자치단체, 경찰청, 국토해양부, 한국도로공사) 사업 및 제철소 등의 각종 플랜트 현장설비에 적용할 수 있는 장치

- 국내 최대 속도(초당 45˚로 좌/우 회전, 탑재 중량 40kg)
-
DC모터를 적용하여 고속으로 회전
-
PRESET기능을 지원으로 정확한 위치제어가 가능

- 소비 전력 : 100W, PAN : 15W , TILT : 15W
-
PAN 속도(좌,우) : 2° ~ 45°/ SEC
-
TILT 속도(상,하) : 2° ~ 20°/ SEC
-
PAN 각도(좌,우) : 1°~ 355°
-
TILT 각도(상,하) : +30°~ -90°
-
적정 하중 : 40KG
-
중 량 : 약15KG
-
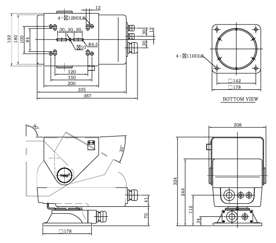
외형 치수 : 350(L) x 321(H) x 208(W)
-
사용 온도 : -25℃ ~ +60℃
-
보호 등급 (IP GRADE) : IP66
-
CABLE 종류 : 일반(STANDARD) CABLE


|