

U-city, ITS, UTIS, ATMS, FTMS(지방자치단체, 경찰청, 국토해양부, 한국도로공사) 사업 및 제철소 등의 각종 플랜트 현장설비에 적용할 수 있는 장치

- 국내 최대 속도(초당 120˚로 좌/우 회전, 탑제 중량 55kg)
-
360˚ 연속 회전을 위한 SLIP RING 탑제
-
BLDC MOTOR를 적용한 정확한 가변속도제어 및 위치제어 기능
-
SDI 카메라 지원

- 소비 전력 : 180W, PAN : 50W , TILT : 50W
-
PAN 속도(좌,우) : 0.2°~ 120°/ SEC
-
TILT 속도(상,하) : 0.1°~ 25°/ SEC
-
PAN 각도(좌,우) : ENDLESS(360°)
-
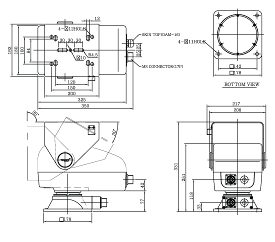
TILT 각도(상,하) : +30°~ -90°
-
적정 하중 : 55KG
-
중 량 : 약16KG
-
외형 치수 : 350(L) x 321(H) x 208(W)
-
사용 온도 : -35℃ ~ +60℃, Heater내장
-
보호 등급 (IP GRADE) : IP66
-
CABLE 종류 : 일반(STANDARD) CABLE


|